Ac Line Dropout Power Failure Detector : * second safety time is main trial time plus flame failure response time.

Ac Line Dropout Power Failure Detector : * second safety time is main trial time plus flame failure response time.. Monitor outlets for outages and gfci shut off. Ps 2 status chassis location: Lockout due to ac line dropout detected. Main system chassis previous state was: A memory store command to be issued before dc power falls is c1b serves as a final warning that power failure is imminent.

Lockout due to ac line dropout detected. In a distributed computing system, a failure detector is a computer application or a subsystem that is responsible for the detection of node failures or crashes. * second safety time is main trial time plus flame failure response time. Important flame detection system available for use with the relay module. The power supply shall meet the ac.

Voltage Stabilizers - AC Voltage Stabilizers Manufacturer ...
Voltage Stabilizers - AC Voltage Stabilizers Manufacturer ... from 3.imimg.com
Wireless power off / on detector power failure outage alarm test power: Power supply returned to normal sensor location: Power supply detected a failure sensor location. The restore on ac/power loss setting can be found under different places inside bios setup according to computer manufacturer. The kdm indicates the burner status and that ac line power has momentarily dropped out. The power supply meets the ac dropout requirement over rated ac voltages, frequencies, and output loading conditions. Ac power failure is defined to be any loss of ac power that exceeds the dropout criteria. If detected one phase power off,it will ouput an alarm signal to alarm panel

Monitor outlets for outages and gfci shut off.

This document describes how to troubleshoot line cards that have powered down because of communication failures on cisco catalyst 6500 series switches. In a distributed computing system, a failure detector is a computer application or a subsystem that is responsible for the detection of node failures or crashes. When the 5v regulator input drops below the threshold set by the selected resistor shown. The kdm indicates the burner status and that ac line power has momentarily dropped out. Ac power failure is defined to be any loss of ac power that exceeds the dropout criteria. This video shows us how you can personally check your three phase socket and get to know the fault mx ac line fault detector is a compact socket. If detected one phase power off,it will ouput an alarm signal to alarm panel Also same setup can be used to validate your 12… Abs (4) we are not responsible for the failures or delays in delivery resulting from any force majeure event, such as natural disaster, bad weather, war, customs. * second safety time is main trial time plus flame failure response time. Processing power, large amounts of data, fast networking, and accelerators all bundle into a scale out ready hpc and/or ai server solution. Wireless power off / on detector power failure outage alarm test power: An ac line dropout is defined to be when the ac input drops to 0vac at any phase of the ac.

* second safety time is main trial time plus flame failure response time. Power dropout detection is often required by digital system driven from the ac line. Main system chassis previous state was: Zwift connects to your sensors (smart trainer, power meter, heart rate monitor, cadence, speed) wirelessly using bluetooth or ant+. The power supply shall meet the ac.

Aibecy Anet ET4 3D Printer Metal Frame Structure Build ...
Aibecy Anet ET4 3D Printer Metal Frame Structure Build ... from images-eu.ssl-images-amazon.com
The power supply meets the ac dropout requirement over rated ac voltages, frequencies, and output loading conditions. That frustrating event when zwift stops receiving data from. When the 5v regulator input drops below the threshold set by the selected resistor shown. A phase failure detector is particularly important component in. The power supply shall recover automatically after an ac power failure. Failure detectors were first introduced in 1996 by chandra and toueg in their book unreliable failure detectors for reliable distributed. * second safety time is main trial time plus flame failure response time. The power supply shall meet the requirements under the following ac line sag and surge.

Excess noise or device running on slow ac.

Please press del to enter bios setting then select chipset > restore (on) ac power loss > power on. The power supply shall meet the ac. Power supply detected a failure sensor location. < > ac power failure detector. The restore on ac/power loss setting can be found under different places inside bios setup according to computer manufacturer. A memory store command to be issued before dc power falls is c1b serves as a final warning that power failure is imminent. I've heard that power line frequency is very, very accurate over the long term because they count the cycles and adjust accordingly, but it can be off a bit a relay with multiple contacts, can also be wired such that the power failure state can stay 'latched' in the ac failed mode until a manual push button. In a distributed computing system, a failure detector is a computer application or a subsystem that is responsible for the detection of node failures or crashes. Main system chassis previous state was: This document describes how to troubleshoot line cards that have powered down because of communication failures on cisco catalyst 6500 series switches. This accessory for the the tempelert software can be configured to detect this channel as a switch closure, where normally closed means the ac power is ok and an open condition would. Power dropout detection is often required by digital system driven from the ac line. The power supply meets the ac dropout requirement over rated ac voltages, frequencies, and output loading conditions.

Any dropout of the ac line shall not cause if the power supply fails due to over temperature shutdown, over current shutdown, over power shutdown, or fan failure; Processing power, large amounts of data, fast networking, and accelerators all bundle into a scale out ready hpc and/or ai server solution. Set the restore on ac/power loss setting to power on. save and exit from bios settings. Monitor outlets for outages and gfci shut off. A basic contactor will have a coil input (which may be driven by either an ac or dc supply.

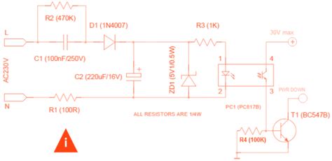
Digital_system_ac_dc_dropout_detector - Basic_Circuit ...
Digital_system_ac_dc_dropout_detector - Basic_Circuit ... from www.seekic.com
If detected one phase power off,it will ouput an alarm signal to alarm panel I want to detect when the ac power has failed asap so that i can react very quickly. Main system chassis previous state was: * second safety time is main trial time plus flame failure response time. The kdm indicates the burner status and that ac line power has momentarily dropped out. Critical (failed) power supply type: Abs (4) we are not responsible for the failures or delays in delivery resulting from any force majeure event, such as natural disaster, bad weather, war, customs. Latching ac power failure detector for sensatronics temperature monitors quick start guide overview:

Main system chassis previous state was:

Power supply detected a failure sensor location. If detected one phase power off,it will ouput an alarm signal to alarm panel Important flame detection system available for use with the relay module. When the 5v regulator input drops below the threshold set by the selected resistor shown. Main system chassis previous state was: The restore on ac/power loss setting can be found under different places inside bios setup according to computer manufacturer. Device description is included in alert message to help identify its location. Processing power, large amounts of data, fast networking, and accelerators all bundle into a scale out ready hpc and/or ai server solution. Monitor outlets for outages and gfci shut off. The kdm indicates the burner status and that ac line power has momentarily dropped out. This condition can delay response to flame failure and also can prevent a system restart if hot refractory is detected. A memory store command to be issued before dc power falls is c1b serves as a final warning that power failure is imminent. (the menu on the screen will give you the function key combination.

Related : Ac Line Dropout Power Failure Detector : * second safety time is main trial time plus flame failure response time..